
FL(R)N36系列戶內高壓六氟化硫負荷開關以及其熔斷器組合電器為我司消化吸收國外先進科技,結合我國的實際運行要求,自行研發設計而成。該產品 符合IEC62271,IEC60265,IEC60420和GB3804,GB16926等標準要求。該產品具有"分-合-接地"三工位,可靠聯鎖。 裝電纜頭式負荷開關,其出線端裝可觸摸型電纜前接頭,進出線安裝高壓電纜,配用在電纜分支箱內。開關特殊的動密封和固定密封設計,密封可靠, 并且在明顯位置安裝壓力表,供運行時監視,確保運行安全。 本產品適用于三相交流10kV,24kV和40.5kV的電力系統中。
技術參數?
FL(R)N36技術參數 |
|
|
|
|
額定電壓 | kV | 12 | 24 | 40.5 |
額定電流 | A | 630 | 630 | 630 |
額定頻率 | Hz | 50/60 | 50/60 | 50/60 |
額定短路關合電流 | kA Peak. | 62.5 | 50 | 50 |
額定峰值耐受電流 | kA Peak. | 62.5 | 50 | 50 |
短時耐受電流 | kA eff. |
|
|
|
1秒 |
| 25 |
|
|
2秒 |
|
| 20 | 20 |
最大開斷電流(連熔斷器使用時) IEC 62271-105(IEC 420 1990-11) | A | 1530 | 920 | 630 |
主有效負載電流 | A | 630 | 630 | 630 |
電纜充電電流 | A | 630 | 630 | 630 |
額定短時工頻耐受電壓 50Hz 1 min,: |
|
|
|
|
- 相間及對地 | kV | 42 | 55 | 95 |
- 斷口間 | kV | 45 | 70 | 120 |
額定雷電沖擊耐受電壓1.2/50μs |
|
|
|
|
- 相間及對地 | kV | 75 | 125 | 190 |
- 斷口間 | kV | 85 | 145 | 220 |
機械壽命 | cycles | 1000 | 1000 | 1000 |
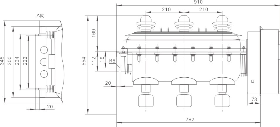
外形尺寸圖
Copyright ? 浙江西開電氣有限公司 備案號: 技術支持:鼎諾傳媒