
FN7-12(24)型交流高壓負荷開關是一種新型產氣式戶內高壓負荷開關,適用于交流50/60HZ,額定電壓12kV,24kV的三相交流電力系統中,作為開斷負 荷電流及關合短路電流之用。 FN7-12R型系列高壓負荷及熔斷器組合電器是在FN7-12系列高壓負荷開關的基礎上,增加側面操作機構、使得安裝更加簡捷方便,能夠滿足廣大用戶 的不同要求。
技術參數
FN7-12(24)技術參數 | |||||
額定電壓 | kV |
| 12 | 24 | |
額定電流 | A | 400 | 630 | 630 | |
額定頻率 | Hz | 50/60 | 50/60 | 50/60 | |
額定短路關合電流 | kA Peak. | 31.5 | 50 | 50 | |
額定峰值耐受電流 | kA Peak. | 31.5 | 50 | 50 | |
短時耐受電流 | kA eff. | ||||
1秒 | 25 | 25 | 25 | ||
3秒 | 12.5 | 20 | 20 | ||
最大開斷電流(連熔斷器使用時) IEC 62271-105(IEC 420 1990-11) | A | 1600 | 1600 | 900 | |
最大熔斷器電流(XRNT 熔斷器) | A | 200 | 200 | 200 | |
額定短時工頻耐受電壓 50Hz 1 min,: | |||||
- 相間及對地 | kV | 42 | 42 | 55 | |
- 斷口間 | kV | 48 | 48 | 70 | |
額定雷電沖擊耐受電壓1.2/50μs | |||||
- 相間及對地 | kV | 75 | 75 | 125 | |
- 斷口間 | kV | 85 | 85 | 145 | |
機械壽命 | cycles | 2000 | 2000 | 2000 |
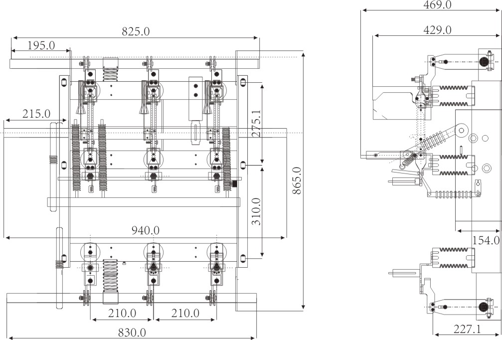
外形尺寸圖
Copyright ? 浙江西開電氣有限公司 備案號: 技術支持:鼎諾傳媒