
ZW20F-12型戶外交流高壓分界真空斷路器為額定電壓12kV、三相交流50Hz的戶外高壓開關設備。主要用于開斷、關合電力系統的負載電流、過載電流 及短路電流。適用于變電站、工礦企業及城鄉配電網作保護和控制,特別適用于操作頻繁的場所和城網自動化配電網絡。本產品與控制器配套,能滿足配電 自動化系統要求,并能可靠而有效地完成傳統的重合器功能。它采用成熟的箱式密封結構,內部充以SF6氣體,具有良好的密封性能,使之不受外界環境影 響,是一種免維護產品。其彈簧操動機構采用直動鏈條主傳動和多級脫扣系統,動作可靠性高,是柱上斷路器的佳品。
技術參數
ZW20F-12技術參數 |
|
|
額定電壓 | kV | 12 |
額定頻率 | Hz | 50 |
額定電流 | A | 630 |
額定短路開斷電流 | kA | 20 |
額定關合電流峰值 | kA | 50 |
額定動穩定電流峰值 | kA | 50 |
4s熱穩定電流 | kA | 20 |
額定操縱順序 |
| 分-0.3s-合分180s-合分 Score-0.3s-Score180s-Score |
額定儲能電機電壓 | V | AC220 |
高/最低儲能電機電壓 | V | AC242/87 |
額定合閘操作電壓 | V | AC220 |
最高/最低合閘操作電壓 | V | AC264/43 |
額定分閘操作電壓 | V | AC220 |
最高/最低分閘操作電壓 | V | AC264/43 |
合閘不同期 | ms | ≤2 |
分閘不同期 | ms | ≤2 |
SF6氣體額定壓力(表壓) | Mpa | 0.01 |
額定短路電流開斷次數 | 次 Times | ≥30 |
機械壽命 | 次 Times | 10000 |
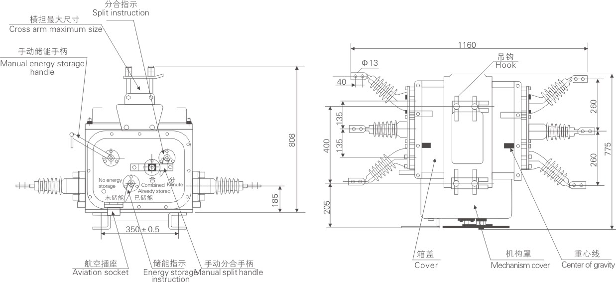
外形尺寸圖
Copyright ? 浙江西開電氣有限公司 備案號: 技術支持:鼎諾傳媒